金瓶梅在线播放,学长惩罚我下面放震蛋上课,无码无遮挡刺激喷水视频,护士长在办公室躁bd

全國服務熱線021-64162222

伸縮蝶閥閥門首頁 > 產品展示 > 蝶閥 > 伸縮蝶閥 >

產品名稱:SD941X-16Q DN250電動伸縮法蘭蝶閥[ 2025-08-27 ]

訂購熱線:021-64162222
訂購傳真:021-62677999
質量穩定:實行全過程質量監控,細致入微全方位檢測!
價格合理:高效內部成本控制,減少了開支,讓利于客戶
交貨快捷:先進生產流水線,充足的備貨,縮短了交貨期!
  • 產品介紹
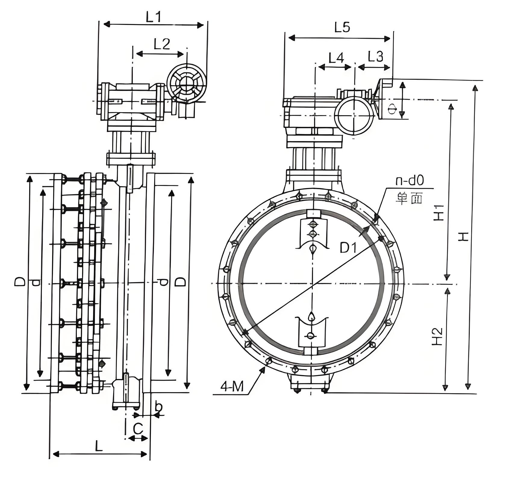
  • 規格尺寸
  • 結構圖片
  • SD941X-16Q DN250電動伸縮法蘭蝶閥 是一款專為高壓工況設計的閥門,結合了伸縮補償與電動控制功能,適用于煤礦、化工等需要高溫高壓及密封性能的場景。以下是其核心特性:
     

    產品特性

    • ‌結構‌:采用垂直板式設計,結構緊湊,重量輕,啟閉靈活。 ‌
    • ‌密封形式‌:支持軟/硬密封可選,密封面材質為四氟或橡膠,雙向密封設計確保長期穩定性。 ‌
    • ‌連接形式‌:標準法蘭連接,適配管道系統快速安裝。 ‌
    • ‌防爆設計‌:符合 煤安型 標準,配備 防爆證 和 煤安證 ,適用于煤礦等危險環境。

    性能參數

    • ‌公稱壓力‌:1.6MPa(16公斤),適用于高壓工況。 ‌
    • ‌電源支持‌:支持AC380V/660V/1140V,兼容多種工業用電環境。
    • ‌控制方式‌:智能型電動執行機構,帶485通訊功能,支持遠程調控。 ‌

    適用場景

    適用于煤礦、化工、電站、城市給排水等需要高溫高壓及頻繁啟閉的工業系統,尤其適合需要溫度補償或頻繁調節的管道系統。

  • 電動閥
  • 蝶閥

上一篇:伸縮式電動智能蝶閥sd941x-10/16 dn600 / 下一篇:沒有了