金瓶梅在线播放,学长惩罚我下面放震蛋上课,无码无遮挡刺激喷水视频,护士长在办公室躁bd

全國服務熱線021-64162222

電動執行器閥門首頁 > 產品展示 > 電動執行器 >

產品名稱:qb礦用隔爆整體型閥門電動裝置[ 2024-04-18 ]

訂購熱線:021-64162222
訂購傳真:021-62677999
質量穩定:實行全過程質量監控,細致入微全方位檢測!
價格合理:高效內部成本控制,減少了開支,讓利于客戶
交貨快捷:先進生產流水線,充足的備貨,縮短了交貨期!
  • 產品介紹
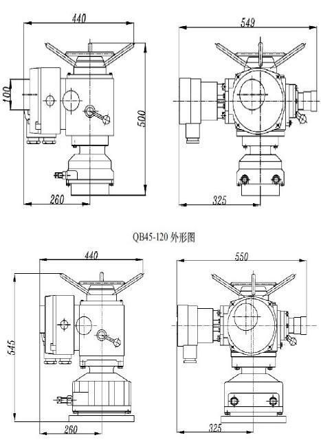
  • 規格尺寸
  • 結構圖片
  • 一、qb礦用隔爆整體型閥門電動裝置介紹

    上海湖泉閥門集團有限公司QB系列礦用隔爆型閥門電動裝置是針對煤礦使用條件而專門設計和制造的。適用閥板做90度回轉的閥門,如蝶閥、風門等。與KXBC礦用隔爆型閥門電動裝置控制箱相互配套后,可與DCS系統銜接,以實現自動化控制。
    閥門電動裝置


    礦用閥

    電動閥門
  • qb礦用隔爆整體型閥門電動裝置
  • 電動閥廠家

上一篇:礦用隔爆型閥門電動裝置(煤礦井下自動隔爆裝置廠家) / 下一篇:礦用隔爆型部分回轉閥門電動裝置