金瓶梅在线播放,学长惩罚我下面放震蛋上课,无码无遮挡刺激喷水视频,护士长在办公室躁bd

全國服務熱線021-64162222

閘閥知識閥門首頁 > 閥門知識 > 閘閥知識 >

電動插板閥、電動插板閥型號、電動插板閥原理圖

[ 2021-05-17 ]
一、電動插板閥詳細介紹
上海湖泉閥門有限公司電動插板閥主要是由電機,減速機,框架,插板,絲杠,鏈條,齒輪,控制器等組成,可采用鏈條式或直連式傳動帶動插板 上下運行,達到開啟與關閉的目的。通常電動插板閥采用法蘭連接分為方形法蘭與圓形法蘭兩個系列,有幾十個規格尺寸可供 選型,也可根據安裝尺寸要求進行定制生產。 方形電動插板閥是一種閘板與閥座始終緊密接觸密封的閥門。方形電動插板閥啟閉件是閘板,閘板的運動方向與流體方向相垂直,方形電動插板閥只能作全開和全關,不能作調節和節流。閘板有兩個密封面,常用的模式閘板閥的兩個密封面形成楔形、楔形角隨閥門參數而異?!〔灏彘y具有結構簡單緊湊、設計合理、輕型節材,密封可靠、操作輕便靈活、體積小、通道流暢、流阻小、重量輕、易安裝、易拆卸等優點,可在工作壓力1.0MPa-2.5MPa,使用溫度-29-650℃情況下正常工作。插板閥其閘板具有剪切功能,可刮除密封面上的粘著物,自動清除雜物,不銹鋼閘板可防止腐蝕引起的密封泄漏。
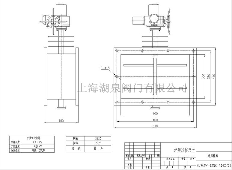
電動插板閥
電液動插板閥適用于建材、冶金、礦山、化工等行業粉塵物料,流量控制的管道和料斗上,是控制粉塵物料流量的理想設備。
電動插板閥的啟閉件是閘板,閘板的運動方向與流體方向相垂直,插板閥只能作全開和全關,不能作調節和節流。閘板有兩個密封面,   常用的模式閘板閥的兩個密封面形成楔形、楔形角隨閥門參數而異,通常為50,楔式插板閥的閘板可以做成一個整體,叫做剛性閘板;也可以做成能產生微量變形的閘板,以其工藝性,彌補密封面角度在加工過程中產生的偏差,這種閘板叫做彈性閘板插板閥關閉時,密封面可以只依靠介質壓力來密封,即依靠介質壓力將閘板的密封面壓向另一側的閥座來密封面的密封,這就是自密封。大部分插板閥是采用強制密封的,即閥門關閉時,要依靠外力強行將閘板壓向閥座,以密封面的密封性。插板閥密封結構可以分軟密封、硬密封結構。
二、電動插板閥型號
FDC300×300 插板速度(mm/min)300 行程(mm)300 
動力型號XLD-B10-0.55 功 率(kw)0.55 單重(kg)136 
電動插板閥型號FDC400×400 插板速度(mm/min)300 行程(mm)400 
動力型號XLD-B10-0.55 功 率(kw)0.55 單重(kg)163 
電動插板閥型號FDC500×500 插板速度(mm/min)300 行程(mm)500 
動力型號XLD-B11-0.75 功 率(kw)0.75 單重(kg)209 
電動插板閥型號FDC600×600 插板速度(mm/min)378 行程(mm)600 
動力型號XLD-B15-0.75 功 率(kw)0.75 單重(kg)387 
電動插板閥型號FDC700×700 插板速度(mm/min)378 行程(mm)700 
動力型號XLD-B15-1.1 功 率(kw)1.1 單重(kg)417 
電動插板閥外形尺寸表 規格型號 ¢A ¢B ¢C H H A*A B*B C*C H 溫度 電動功率 孔徑 PH6型 300 260 200 100 160 290 250 200 100 ≤300℃ 0.37 8-φ13 PH8型 320 280 220 100 160 310 270 220 100 0.37 8-φ13 PH10型 340 300 240 100 160 330 290 240 100 0.37 8-φ13 PH12型 360 320 260 100 160 360 310 260 100 0.37 8-φ14 PH14型 380 340 280 100 160 380 330 280 100 0.37 8-φ14 PH16型 400 360 300 100 160 400 350 300 100 0.55 8-φ14 PH18型 420 380 320 100 160 420 370 320 100 0.55 8-φ18 PH20型 440 400 340 100 160 440 390 340 100 0.55 8-φ18 PH26型 500 460 400 100 160 500 450 400 100 0.75 8-φ18 PH30型 540 500 440 120 180 540 490 440 120 0.75 8-φ18 PH40型 660 610 500 120 200 660 610 500 120 0.75 8-φ18 PH50型 730 680 600 120 200 730 680 600 120 1.1 12-φ20
關閥:電液推桿驅動彈簧夾緊機構,使閥板脫開,到位后,行走電裝啟動,驅動閥板行走由開到關,到位后,電液推桿反向運動,彈簧夾緊機構自動夾緊到位,關閥結束。開閥則反之,松開夾緊裝置采用電動裝置驅動,通過鏈輪、鏈條與絲桿螺母副連接,驅動波紋管的伸縮來實現閥體密封座夾緊或松開。閥門采用鏈輪式多點夾緊機構,密封圈為雙面密封,安裝于閥板上,密封可靠,方便更換。閥板頂部導軌裝有縱向和橫向移動機構,側面裝有彈簧機構和限位輪。當松開夾緊機構將閥板松開時,彈簧機構頂浮閥板至限位輪。
三、電動插板閥原理圖
電動插板閥原理圖
1、由閥開啟到閥關閉
  夾緊電機動作,帶動絲桿作逆時針轉動,閥體松開到位(指示燈顯示),驅動電機動作,帶動閘板作逆時針轉動到位,閘板關閉到位(指示燈顯示),夾緊電機動作,帶動絲桿作順時針轉動,閥體夾緊到位(指示燈顯示)完成閥門由開啟到關閉的全過程。
2、閥門由關閉到開啟
  夾緊電機動作,帶動絲桿作逆時針轉動,閥體松開到位(指標燈顯示),驅動電機動作,帶動閘板作順時針轉動,閘板開啟支位,(指示燈顯示)完成閥門由關閉到開啟的全過程。電動插板閥工作原理手動插板閥是用粉料、晶粒料、顆粒料及小塊物料的流量,輸送量的主要控制設備,螺旋閘門(單向螺旋閘門,雙向螺旋閘門)廣泛用于冶金、礦山、建材、糧食、化工等行業的庫頂、庫底及送料口等,是控制流量變化較大,啟閉頻繁,切斷快速的理想設備。是一種閘板與閥座始終緊密接觸密封的閥門。方形電動插板閥啟閉件是閘板,閘板的運動方向與流體方向相垂直,方形電動插板閥只能作全開和全關,不能作調節和節流。閘板有兩個密封面,常用的模式閘板閥的兩個密封面形成楔形、楔形角隨閥門參數而異。
更多閥門知識:http://www.rcssw.com/tech/
 
 
本文標題:電動插板閥、電動插板閥型號、電動插板閥原理圖 本文地址:http://www.rcssw.com/tech-zhafa/2957.html

上一篇:電動閘閥能浸在水里嗎?如何檢修 / 下一篇:電動閘閥產品檢測報告、圖例、型號標準尺寸