金瓶梅在线播放,学长惩罚我下面放震蛋上课,无码无遮挡刺激喷水视频,护士长在办公室躁bd

全國服務熱線021-64162222

閥門知識閥門首頁 > 閥門知識 >

解密電動閥門的工作原理,讓你徹底了解閥門控制技術

[ 2023-10-12 ]
解密電動閥門的工作原理,讓你徹底了解閥門控制技術——電動閥門的工作原理電動閥門的工作原理是通過電動執行器控制閥門的開合,從而控制介質的流動。電動執行器一般采用直流電機、交流電機、氣動執行器等。當電動執行器接受到控制信號后,會將控制信號轉化為機械能,使閥門的開閉件發生運動,...電動閥門的種類電動閥門根據閥門的類型和用途不同,可以分為多種類型。常見的電動閥門有球閥、蝶閥、截止閥、止回閥等。,就是電動閥門的工作原理。電動閥門的開關動作是可以進行速度調整的,而且結構會更加的簡單,維護起來更加的方便。電動閥門可以控制空氣、蒸汽、水和各種帶有腐蝕性的介質
閥門

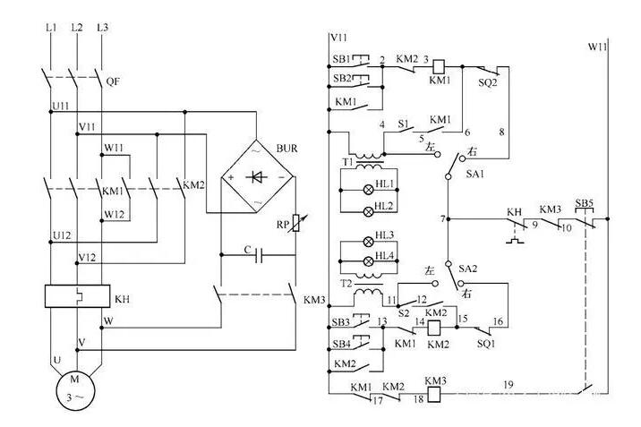
 電動閥門的工作原理主要是通過電動執行機構和閥門連接,利用電能作為動力來驅動閥門動作。電動執行機構一般使用電機作為驅動源,通過減速機構、驅動部件等裝置,將旋轉運動轉化為直...執行機構工作原理 電動執行機構是以電動機為驅動源、以直流電流為控制及反饋信號,原理方塊圖如下圖所示。當控制器的輸入端有一個信號輸入時,此信號與位置信號進行比較,工作原理是,電動機通過減速器驅動傳動裝置,使得閥桿做旋轉運動,從而控制閥板的開啟和關閉。控制裝置可以通過手動操作、電動操作或者自動化控制等方式來實現對閥門的開啟和關閉的...
閥門廠家
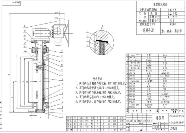
是由電動機帶動減速裝置,在電信號的作用下,產生直線運動和角度旋轉運動。它可以現場操作,也可以遠距離操作,可以單臺控制,也可以多臺集中控制。是工業自動領域體控制系統中的一種執行單元,它是由電執行器與閥門組合而成的,然后通過電機運轉來驅動執行器,從而控制閥門運作,本章節主要講述的是常用的角行程開關式電動閥。是一種可以通過電力控制的閥門,它的工作原理是通過電動機將閥門的開關轉動,從而實現管道的開啟或關閉。電動閥門的結構組成主要包括電動機、閥體、閥蓋、閥桿、密封件...閥門按照種類還可以分為手動閥門和電動閥門。手動的閥門技術我們平時使用的普通閥門,這種閥門的動作力距是比較小的,電動閥門的動作力矩會比較大。是指通過電動裝置控制閥門開關的過程。電動閥門工作原理的實現需要閥門電動裝置的支持,該裝置是閥門的核心組成部分,控制閥門的開關,調節閥門的流量和壓力。
閥門
電動閥門的三種控制方式,電動閥門是一種廣泛應用于管道、設備等工業控制領域的自動化執行裝置。通過電動控制方式,可以實現對流體介質的流量、壓力、溫度等參數的精確調節和遠程控...手動控制 手動控制是一種較為簡單和經濟的控制方式,在電源斷電的情況下,手動控制可手動撥動閥門,并通過觀察壓差等指標來判斷閥門的開合情況。這就需要我們設計一種智能型的自動閥門控制系統。鑒于步進電機具有控制簡便、定位準確等特點,因此非常適合于單片機控制。近年來,利用步進電機對閥門控制的技術已經應用到各個領域...閥門控制技術領域,更具體地,涉及一種閥門控制系統及其控制方法。 背景技術: 智能閥門控制系統是電動調節閥的重要組件之一,廣泛應用于電力、冶金、石化、醫藥等行業... 閥芯閥座的選材及其工藝處理決定著控制閥的工況應用和可靠性。閥芯閥座以及閥內件的設計直接反映了控制閥廠家的技術能力。 柱塞閥芯形狀和流量特性 套筒型閥芯開口形狀和流量特性 ...,自主研發出一套新型智慧農業無線灌溉解決方案,該方案運用了基于擴低功耗LORA無線傳輸技術、NB-iot物聯網技術、4G技術...是控制流體介質的流量、流向、壓力、溫度等的機械裝置,是管道系統中十分重要的部件。
執行器

本文標題:解密電動閥門的工作原理,讓你徹底了解閥門控制技術 本文地址:http://www.rcssw.com/tech/4926.html

上一篇:快速電動閥門開啟時間是多少?怎么開的 / 下一篇:天然氣用什么閥門調節流量大小呢